欢迎登陆【yl23455永利】官方网站! 网站地图 | 联系我们 | 企业邮箱
产品展示

PRODUCT

产品展示

QZ-21全自动罐装包装机


1. 简要说明
       该系列罐装机能完成喂罐、托罐、充填计量、称重选别等工作,可与其它设备配套组成整套罐装流水线,适用于充填眼影粉、闪粉、胡椒粉、辣椒粉、奶粉、米粉、蛋白粉、豆奶粉、鸡粉、咖啡粉、药粉、添加剂、香精香料等。
2. 主要特征
       全不锈钢结构;水平开启式料箱,清洗方便。
       伺服马达及伺服驱动控制螺杆,性能稳定。
       PLC、触摸屏及称重模块控制。
       配有位置合理的高度调节手轮,方便调整机头高度。
       气动托罐装置,保证充填时物料不洒出容器外。
       各种产品调整参数配方可储存,备后使用,多储存10个配方。
       替换螺旋附件,能够适应超细粉到小颗粒等多种物料。

3. 主要参数 
容器尺寸 φ50-150mm,H 50-300mm
罐装重量 10 – 5000g
罐装精度 ≤ 500g,≤±1%;>500g,≤±0.5%
罐装速度 15 - 40 bottles/min
电源 3P  AC208-415V  50/60Hz
压缩空气 6 kg/cm2   0.05m3/min
整机功率 1.6Kw
整机重量 300kg
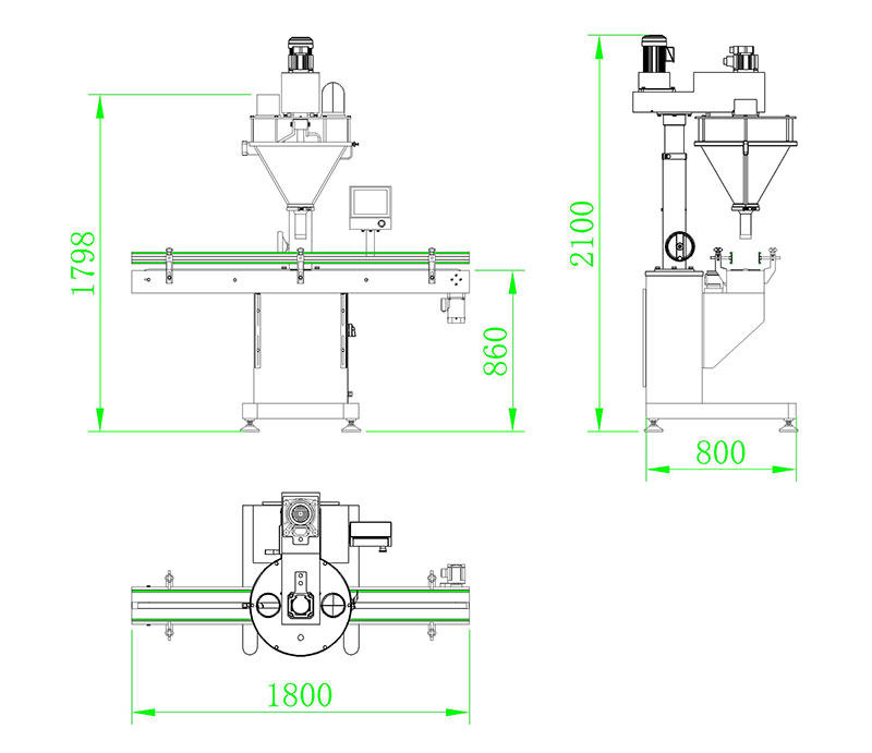
整机体积 2100×800×1800mm
料箱容积 50L

4. 配置清单 
序号 名称 型号规格 产地品牌
1 不锈钢 SUS304 中国
2 PLC   台湾台达
3 触摸屏   台湾台达
4 充填伺服马达 ECMA-C20807RS 台湾台达
5 充填伺服驱动器 B2721BW3450680 台湾台达
8 搅拌减速电机 400W 台湾万鑫
9 电磁阀   台湾亚德客
10 气缸 SDA40X15 台湾亚德克
11 过滤调压器 AFR-2000 台湾亚德克
12 小功率电机 120W  1300rpm Model: 90YS120GY38 台湾JSCC
13 减速机 Ratio:1:36,Model:90GK(F)36RC 台湾JSCC
14 电源开关 HZ5BGS 温州长信
15 断路器   施耐德
16 急停开关   施耐德
17 滤波器 ZYH-EB-10A 北京中宇豪
18 交流接触器 CJX2   1210 温州正泰
19 热继电器 NR2-25 温州正泰
20 直流继电器 MY2NJ  24DC 日本欧姆龙
21 开关电源    常州诚联
22 光电传感器 BR100-DDT 韩国奥托尼克斯
23 料位传感器 CR30-15DN  韩国奥托尼克斯

5. 工作原理
       罐子进入输送带,罐子随链板向前移动,当罐子被探罐光电感应到后,止罐汽缸动作,将罐子限位,然后托罐汽缸动作将罐子托起,伺服电机动作,带动螺旋将物料填充到罐子中,在下料的过程中,气震产生振动使物料容易沉积,充填计量完毕,伺服电机停止,汽缸复位,完成一次计量包装。

6. 整机尺寸

相关产品

Related Products