欢迎登陆【yl23455永利】官方网站! 网站地图 | 联系我们 | 企业邮箱
产品展示

PRODUCT

产品展示

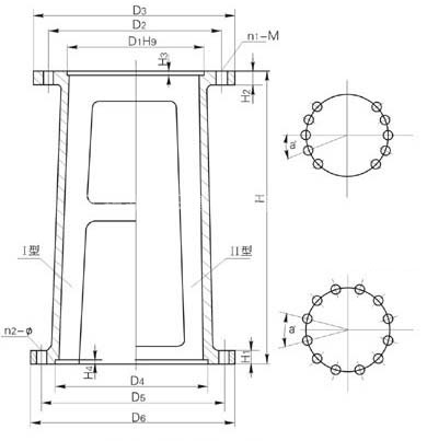
WJ、LWJ型机架(CD130B-86)



       本系列机架可与各种立式摆线针轮减速机相配,可配套选用各种联轴器,若与齿轮减速机配套,连接尺寸由本公司自选调整,为安装双端面机械密封,配备LWJ、LDJ、LSJ等增高型,除LWJ的H值和LDJ、LSJ的H及H2值增大以外,其余尺寸均未变动。

型号标定意义及示例
       注:WJ型、DJ型、DXJ型-30A/B、35A、40B、45A四种机架底面为Ⅰ型和Ⅱ型(Ⅰ型不须标柱,Ⅱ型须在型号后面注Ⅱ、Ⅱ型a°=30°,n2-φ为12-14)其余机架为Ⅱ型(不须标注)

WJ、LWJ型无支点机架主要参数及尺寸
机架代号 H1 H2 H3 H4 输入端接口 输出端接口 WJ型 LWJ型
D1 D2 D3 n1-M D4 D5 D6 n2-φ H 重量(kg) H 重量(kg)
WJ   A 
30 
LWJ   B 
20 15 4

4
6 140

200
160

230
190

260
4-M10

6-M12
240 285 315 Ⅰ20

Ⅱ30
10-φ14

12-φ14
450 34 600 43
WJ  A
35
LWJ  B
24 15 5 6 170 200 230 6-M10

6-M12
260 320 360 Ⅰ20

Ⅱ30
10-φ14

12-φ14
500 46 650 54
WJ  A
40
LWJ  B
24 15 4 6 200

230
230

260
260

290
6-M10

6-M12
260 320 360 Ⅰ20

Ⅱ30
10-φ14

12-φ14
500 46 650 54
WJ  A
45
LWJ  B
24 15 5 6 200 230 260 6-M10

6-M12
260 320 360 Ⅱ20

Ⅱ30
10-φ14

12-φ14
500 49 650 57
WJ  A
55
LWJ  B 
30 20 6

5
6 270 310

305
340 6-M10

8-M16
325 400 435 30 12-φ14 540 75 690 83
WJ
65A
LWJ
34 20 6 6 316 360 400 8-M12

8-M16
350 420 460 30 12-φ18 600 96 750 107
WJ  A
70
LWJ  B 
34 20 6

5
6 316(320)

320
360 400 8-M12

8-M16
350 420 460 30 12-φ18 600 96 750 107
WJ  A
80
LWJ  B
38 25 6

5
8 345

360
390

410
430

460
8-M16

8-M20
380 455 495 30 12-φ18 640 130 790 139
WJ  A
90
LWJ  B
40 25 7 8 400 450 490 12-M16

12-M20
430 510 555 30 12-φ23 660 168 860 183
WJ   A
100
LWJ  B
40 25 9

5
10 455(460)

470
520 580 12-M20 480 560 600 22.5 165-φ23 700 205 900 224
WJ   A   
110 120A
LWJ   B 
40 30 11
6
10 520 590 650 12-M20 560 650 700 22.5 16-φ27 800 257 1000 274
WJ   A   
130 140A 
LWJ  B
44 30 11
9
10 680 800 880 12-M30 720 810 880 18 20-φ27 900 318 1200 365
WJ   A  A   
150 160 
LWJ  B  B
50 35 14
10
12 820 940 1020 16-M30 840 940 1020 22.5 16-φ33 1000 420 1300 480
WJ   A   
180
LWJ  B
55 40 14
10
12 960 1080 1160 20-M30 970 1080 1160 18 20-φ33 1100 560 1400 630
注:增高后的LWJ型机架,其内部中间高度可同时容纳207型双端面机械密封及SF型三分式联轴器。 

相关产品

Related Products